종합 커리큘럼:빛, 전기, 색상 및 열과 같은 LED의 네 가지 필수 특성을 다룹니다.
모듈 디자인:쉬운 이해를위한 명확한 기능 부서와 독립적이면서도 지원적인 실험 모듈을 제공합니다.
교육 지향 디자인:논리적 이해와 이론적 학습을 촉진하는 교육 표준에 맞게 설계된 완전한 기능을 갖춘 소프트웨어 및 장치를 포함합니다.
표준화된 테스트:광 강도 (CIE 표준) 및 광속 (통합 구 방법) 과 같은 매개 변수에 대한 권위있는 국제 표준을 엄격하게 따릅니다.
볼트-암페어 특성 테스트 실험.
빛의 강도와 전류 사이의 관계 실험.
광속과 전류 사이의 관계 실험.
LED 출력 광의 공간 분포 특성의 측정 실험.
다른 LED의 색도 매개 변수의 측정 실험.
펄스 전원 공급 장치의 VT 계수 (리플) 측정 실험.
K 계수의 측정 실험.
접합 온도 및 열 저항의 측정 실험.
아니오. | 부품 이름 | 주요 매개 변수 |
1 | LED 전원 공급 장치 I (정전류 소스) | 110V/220V 입력, 0 ~ 50/500mA 출력, 전압 범위 0-10V |
2 | LED 전원 공급 장치 II (일정한 전압 소스) | 110V/220V 입력, 0 ~ 10V 출력; 현재 범위 0 - 0.1A |
3 | (프로그래머블) 펄스 전력 공급 | 출력 작은 전류 범위 0 에서 50 mA; 출력 큰 전류 50 ~ 500 mA. |
4 | 온도 제어 전원 공급 장치 | 난방 범위: 0 - 100 ℃ |
5 | 탐지기가있는 조명 측정기 | 측정 가능한 조도 및 광속 값, 조도 범위: LX를 2000 LX에 0.001; 광속 범위: LM을 999 0.001; |
6 | RGB 전원 공급 장치 (정전류 소스) | 3 상 전류 출력 |
7 | 섬유 분광계 | 파장 범위: 350-1050nm, 해상도 2nm |
8 | 팬 냉각 텅스텐 광원 | 파장 범위: 400 nm-2000 nm 냉각 방법: 팬 |
9 | 온도 컨트롤러 시스템 | 난방 범위 0 ~ 100 ℃ |
10 | 구 통합 | 방사선 통합 구 |
11 | LED 고정 장치 및 홀더 | 디아 50mm |
아니오. | 부품 이름 | 모델 | Qty. |
1 | LED 전원 공급 장치 I (정전류 소스) | BEM-5036 | 1 |
2 | LED 전원 공급 장치 I (일정한 전압 소스) | BEM-5035 | 1 |
3 | (프로그래머블) 펄스 전력 공급 | BEM-5037 | 1 |
4 | 온도 제어 전원 공급 장치 | BEM-5038 | 1 |
5 | 탐지기가있는 조명 측정기 | BEM-5409 | 1 |
6 | 섬유 분광계 | BIM-6001-06 | 1 |
7 | 팬 냉각 텅스텐 광원 | BIM-6210 | 1 |
8 | 온도 컨트롤러 시스템 | BEM-5040A | 1 |
9 | 구 통합 | BEM-5216-15003 | 1 |
10 | LED 고정 장치 및 홀더 | BEM-5217 | 1 |
11 | 광원을 위한 조정 플랫폼 | BEM-5214 | 1 |
12 | 홀더가있는 조리개 튜브 | BEM-5215 | 1 |
13 | 조리개 | BEM-5221-03 | 1 |
14 | 화면 보기 | BEM-5410 | 1 |
15 | 트랙 | BEM-5201-06 | 1 |
16 | 캐리어 | BEM-5204-50 | 1 |
17 | 조정 가능한 포스트 홀더 | BEM-5205-25 | 1 |
18 | 포스터 | BEM-5209-09 | 1 |
19 | 석영 섬유 | SIM-6102-0605-S/S-P | 1 |
20 | 고정물이있는 레이저 모듈 | BEM-5047 | 1 |
21 | 저장 케이스와 LED 테스트 샘플 | BEM-5048 | 1 |
22 | 전원 케이블 | BC-105075 | 4 |
23 | USB 데이터 케이블 | BC-105080 | 2 |
24 | 4mm 바나나 플러그 커넥터 케이블, 레드 | BC-105084 | 6 |
| 25 | 4mm 바나나 플러그 커넥터 케이블, 블랙 | BC-105083 | 6 |
1. 전기 및 전기 광학 변환 실험

2. 다른 LED의 색도 매개 변수 측정

3. 가벼운 공간 분포 (광 분포 곡선) 실험

평균의 변화를 보여주는 곡선
현재와 1 차원 공간에서 빛의 강도

2 차원 공간 빛 분포
(광 분포) 곡선
4.전류, 광속 및 발광 효율의 관계 조사

전류와 광속 사이의 관계를 보여주는 곡선

현재와 발광 효율 사이의 관계를 보여주는 곡선
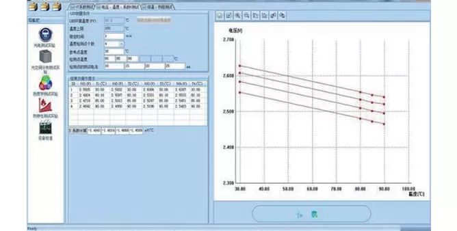
6. 열 특성 시험 실험
이 모듈은 LED의 K 계수, 열 저항 및 접합 온도를 측정하고 계산하는 데 사용됩니다. 실험 설정에는 온도 제어 시스템, 온도 제어 전원 공급 장치 및 펄스 전원 공급 장치가 포함됩니다. 실험이 시작된 후, 전압-시간 곡선은 소프트웨어 인터페이스에 실시간으로 표시 될 수 있으므로 정상 상태에서 접합 온도 및 열 저항을 분석 할 수 있습니다.

작은 현재 K 계수 테스트
